1/2


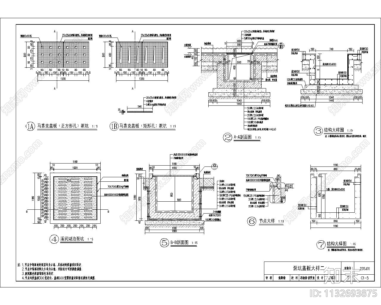
泵坑盖板大样CAD下载
ID: 1132693875
复制
上传作者
西伯利亚的光
西伯利亚的光上传时间2023-04-10
文件大小0.48M
设计风格:现代简约
CAD版本:CAD2000
包含文件:CAD
授权独家
立即下载
收藏
分享
举报
相关推荐
综合
地面节点
地面综合节点
地坪漆
地台节点
地毯节点
路面节点
门槛石节点
木地板
花岗岩


西伯利亚的光上传时间2023-04-10
文件大小0.48M
设计风格:现代简约
CAD版本:CAD2000
包含文件:CAD
授权独家