1/6


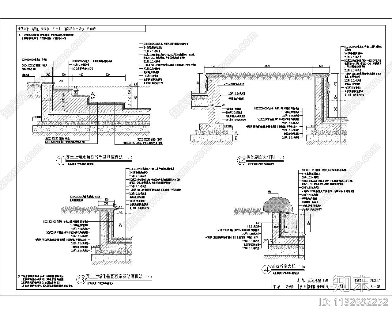
湖泊溪涧池壁做法CAD下载
ID: 1132692252
复制
上传作者
西伯利亚的光
西伯利亚的光上传时间2023-04-10
文件大小2.95M
设计风格:现代简约
CAD版本:CAD2000
包含文件:CAD
授权独家
立即下载
收藏
分享
举报
相关推荐
综合
节点详图
水景
吊顶节点
墙面节点
地面节点
门节点
其他节点详图
建筑工程节点
景观小品
楼梯节点


西伯利亚的光上传时间2023-04-10
文件大小2.95M
设计风格:现代简约
CAD版本:CAD2000
包含文件:CAD
授权独家