CAD频道
CAD图库
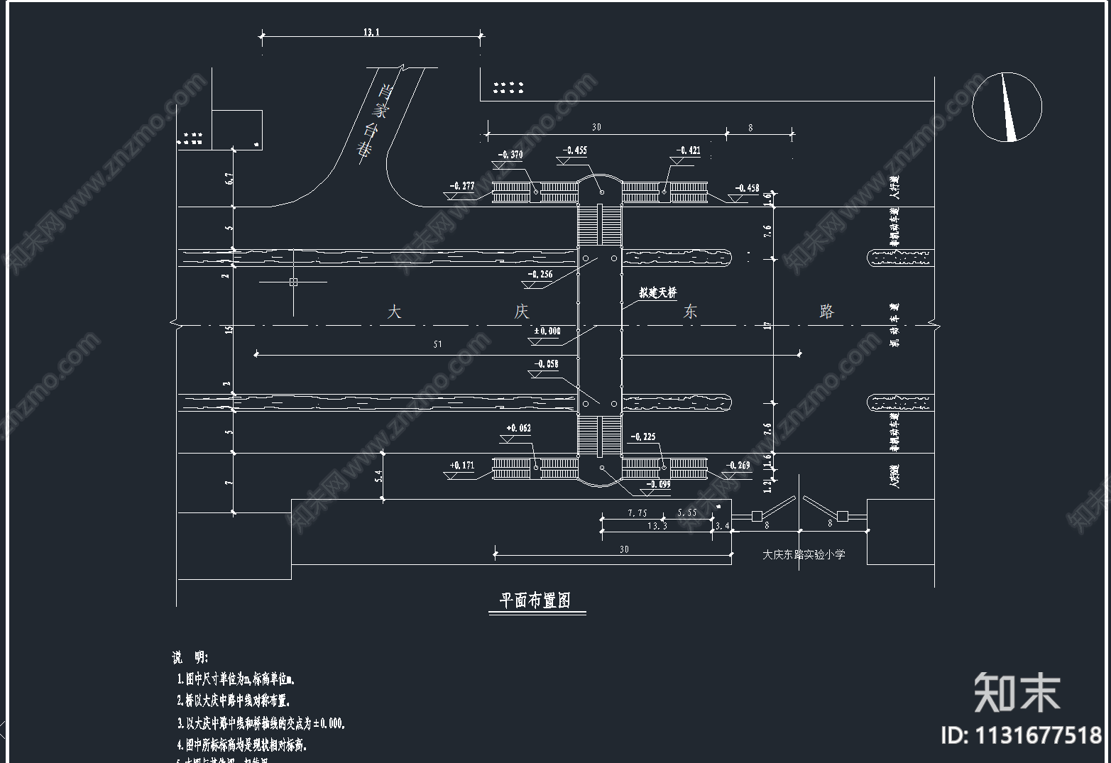
钢箱梁过街天桥全套 施工图
1/
6
Previous
Next
钢箱梁过街天桥全套CAD下载
ID: 1131677518
复制
上传作者
从前从前
上传时间
2023-03-27
文件大小
1.09M
设计风格:
--
CAD版本:
CAD2004
包含文件:
CAD
授权
独家
立即下载
收藏
分享
举报
相关推荐
综合
景观小品
景观桥
亭子
廊架
景墙
综合景观小品
雨棚
围墙
挡土墙
入口