1/7


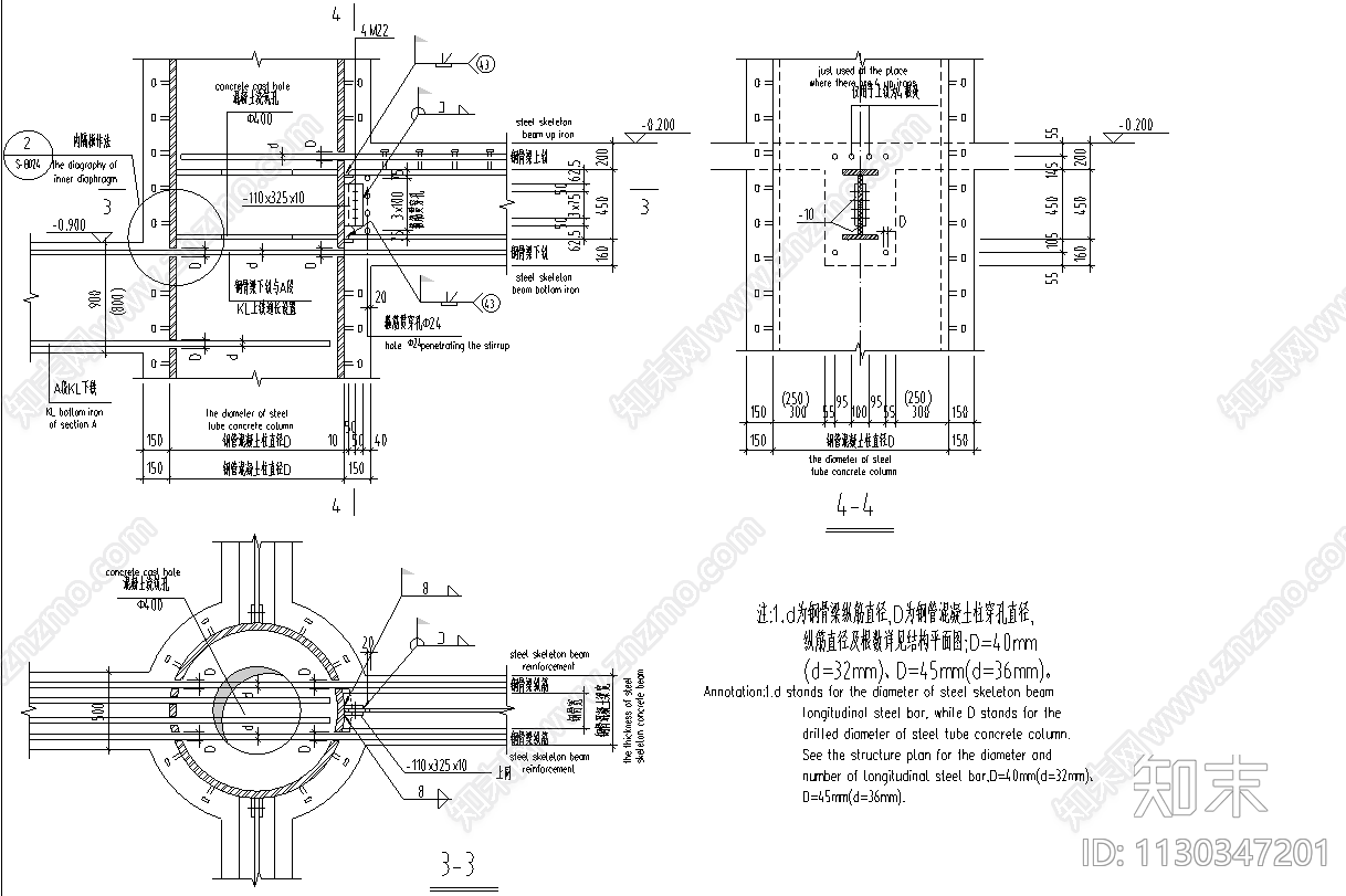
型钢混凝土组合梁柱配筋图CAD下载
ID: 1130347201
复制
上传作者
小小鱼鱼
小小鱼鱼上传时间2023-03-06
文件大小0.26M
设计风格:--
CAD版本:CAD2000
包含文件:CAD
授权独家
立即下载
收藏
分享
举报
相关推荐
综合
节点详图
包柱节点
吊顶节点
墙面节点
地面节点
门节点
其他节点详图
建筑工程节点
景观小品
楼梯节点


小小鱼鱼上传时间2023-03-06
文件大小0.26M
设计风格:--
CAD版本:CAD2000
包含文件:CAD
授权独家