CAD频道
CAD图库
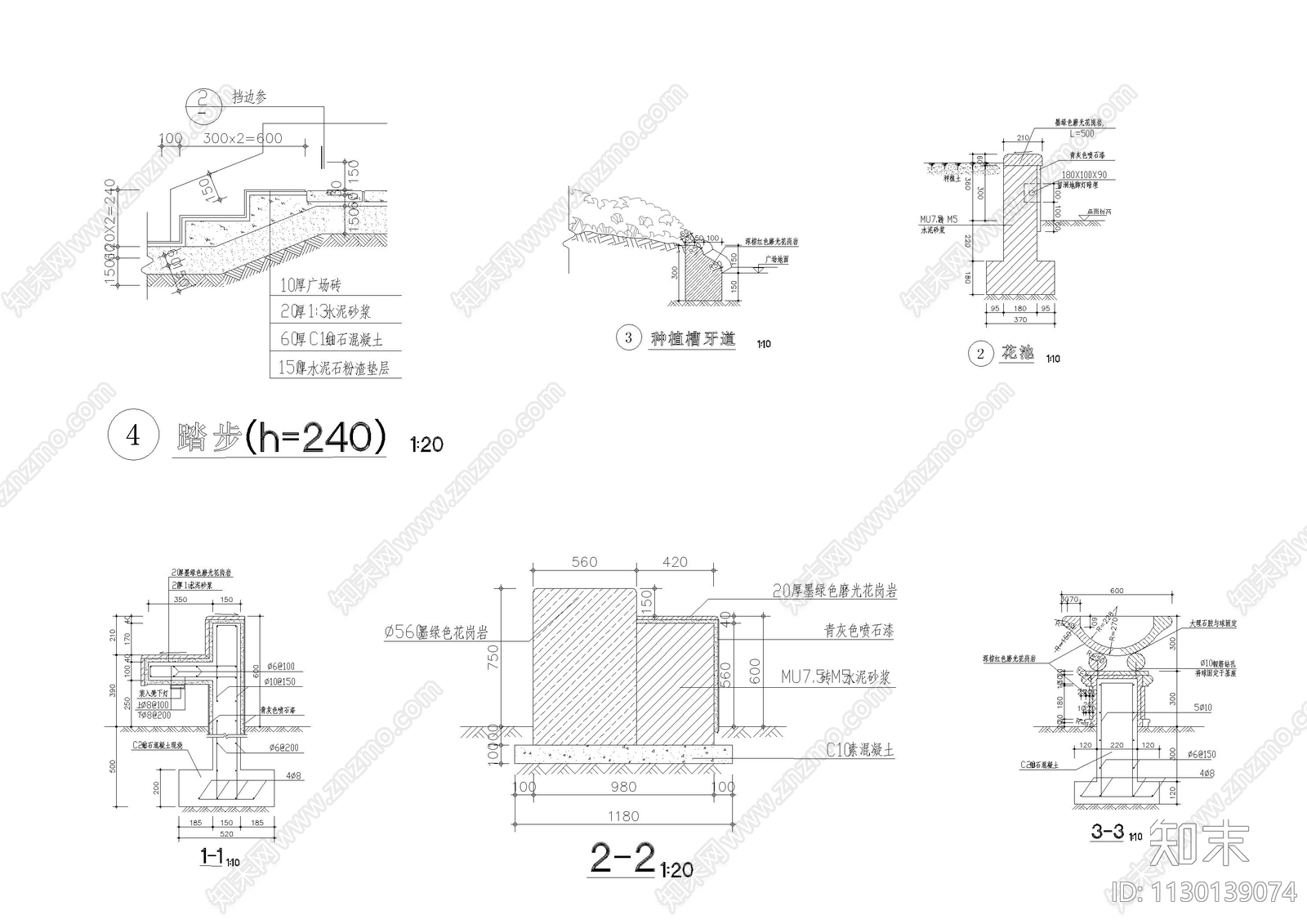
广场人行道铺装大样 施工图
1/
4
Previous
Next
广场人行道铺装大样CAD下载
ID: 1130139074
复制
上传作者
小趴菜园
上传时间
2023-03-03
文件大小
2.82M
设计风格:
--
CAD版本:
CAD2004
包含文件:
CAD
授权
普通
立即下载
收藏
分享
举报
相关推荐
综合
景观小品
铺装
亭子
廊架
景墙
综合景观小品
雨棚
围墙
挡土墙
入口