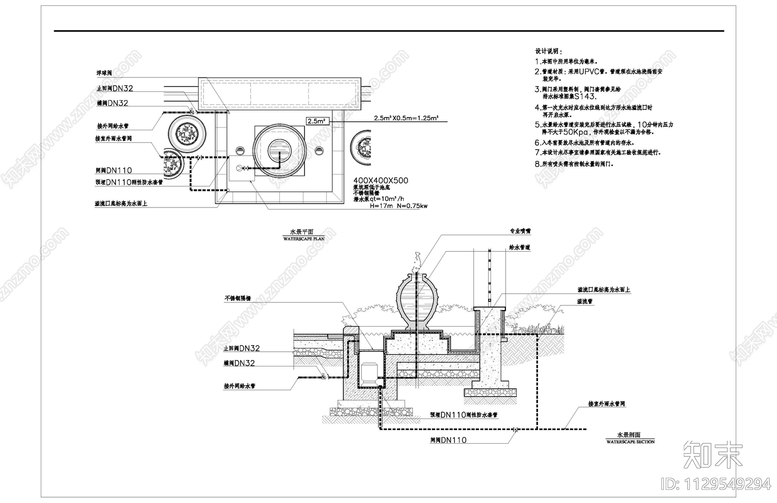
水景墙水处理节点施工图下载【ID:1129549294】

水景墙水处理节点CAD下载

ID: 1129549294
复制
上传作者
洋洋创设洋洋创设

上传时间2023-02-21

文件大小2.62M

设计风格:现代简约

CAD版本:CAD2004

包含文件:CAD

授权独家

立即下载
收藏
分享
举报
相关推荐
综合
电气工程节点
水处理节点
给排水节点详图
暖通节点
电气节点
其他电气工程节点