1/3


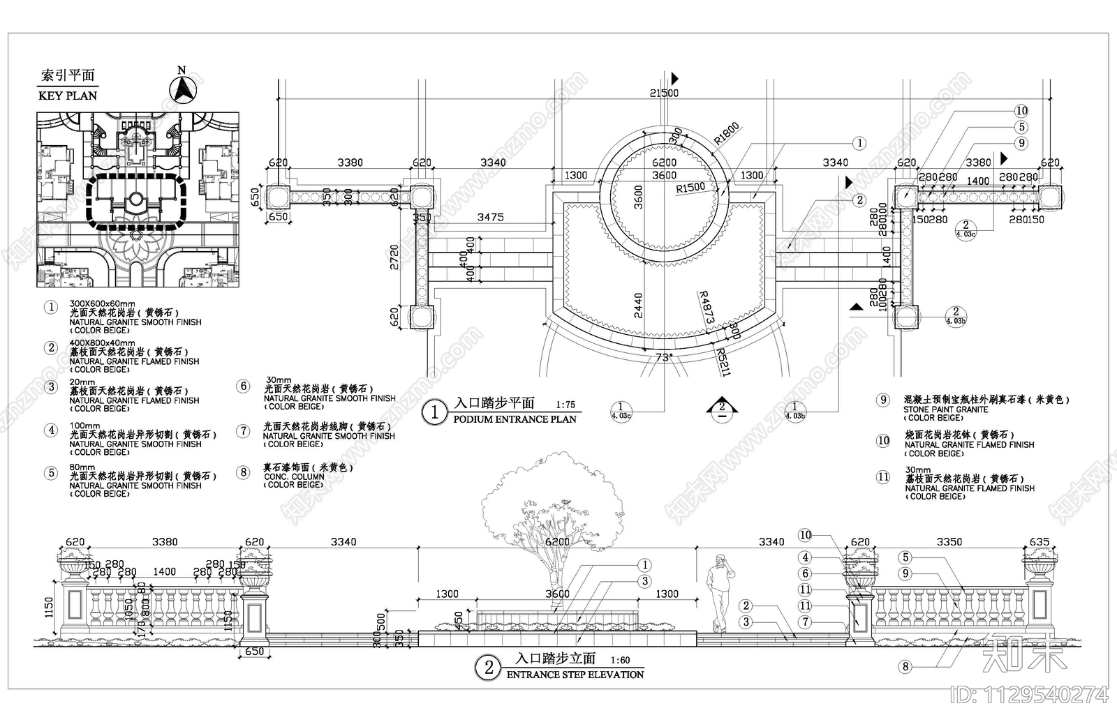
现代小区单元楼入户踏步节点CAD下载
ID: 1129540274
复制
上传作者
洋洋创设
洋洋创设上传时间2023-02-21
文件大小1.71M
设计风格:现代简约
CAD版本:CAD2004
包含文件:CAD
授权独家
立即下载
收藏
分享
举报
相关推荐
综合
地面节点
地面综合节点
地坪漆
地台节点
地毯节点
路面节点
门槛石节点
木地板
花岗岩


洋洋创设上传时间2023-02-21
文件大小1.71M
设计风格:现代简约
CAD版本:CAD2004
包含文件:CAD
授权独家