CAD频道
CAD图库
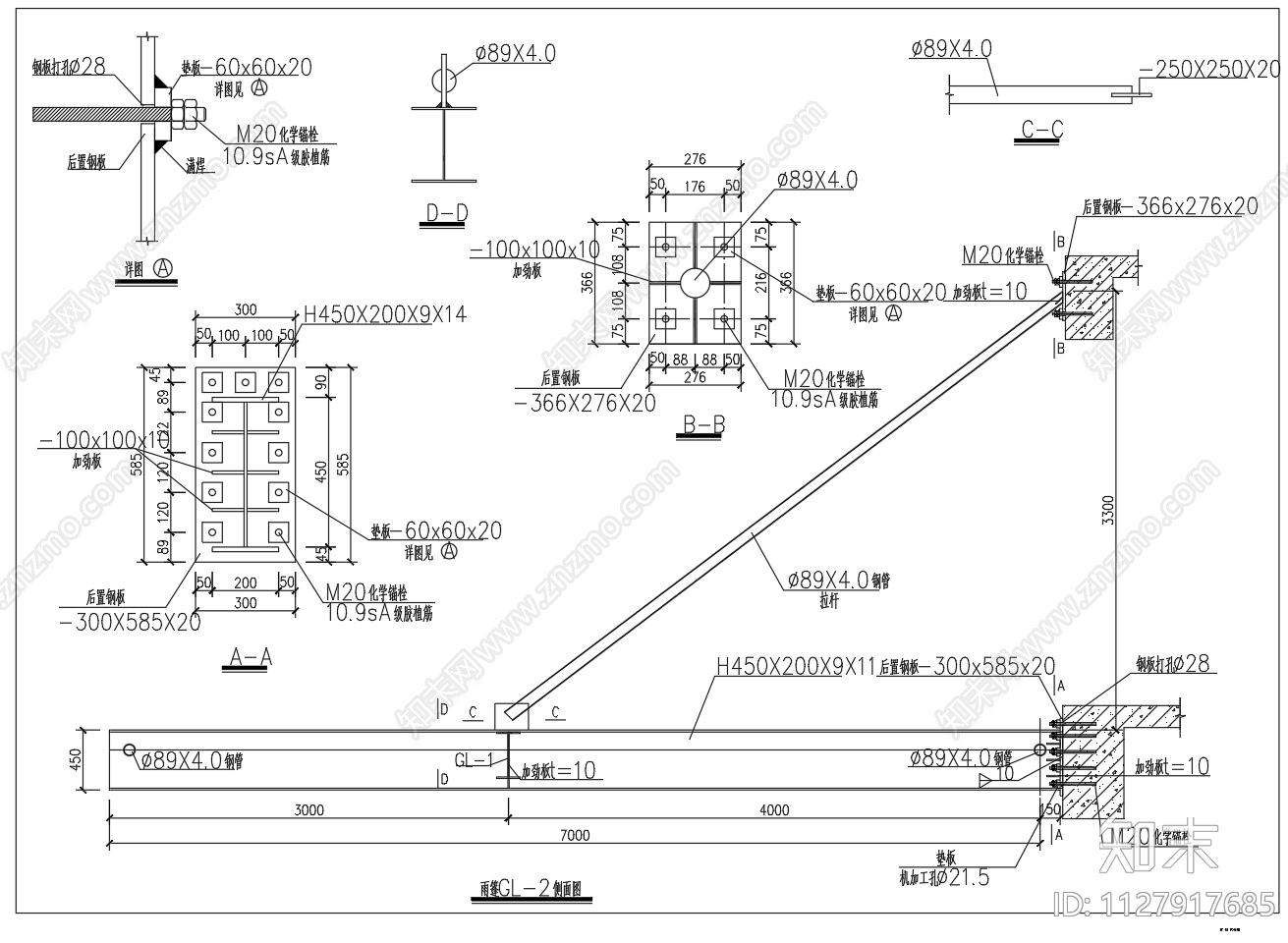
悬挑7米钢结构雨蓬斜拉雨棚结构 施工图 节点 结构节点图
1/
4
Previous
Next
悬挑7米钢结构雨蓬斜拉雨棚结构CAD下载
ID: 1127917685
复制
上传作者
小小鱼鱼
上传时间
2023-01-19
文件大小
0.12M
设计风格:
--
CAD版本:
CAD2000
包含文件:
CAD
授权
独家
立即下载
收藏
分享
举报
相关推荐
综合
结构节点图
钢结构节点
桁架
混凝土节点
幕墙结构节点
转换层
其他结构设计