CAD频道
CAD图库
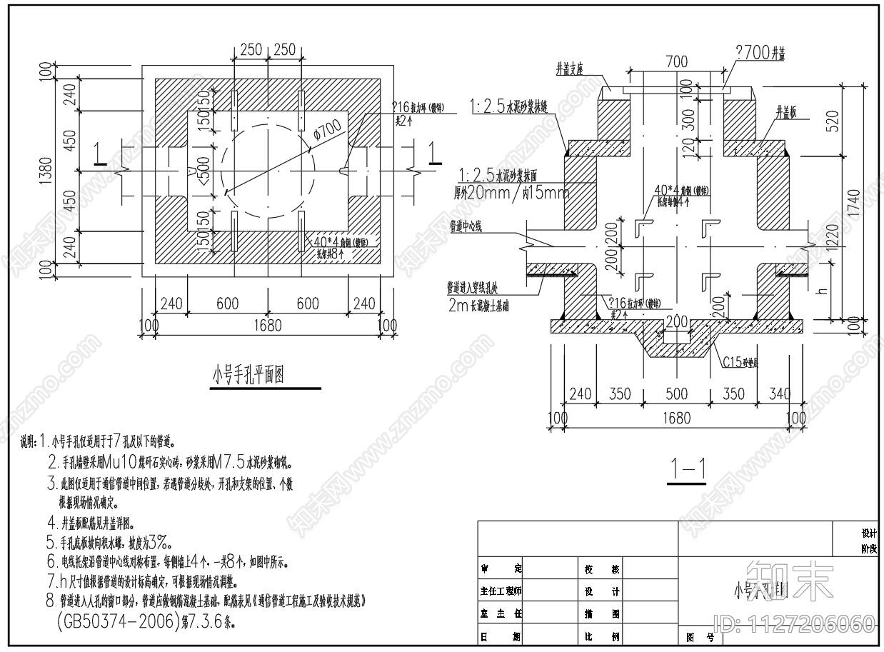
砖砌手孔井 施工图
1/
4
Previous
Next
砖砌手孔井CAD下载
ID: 1127206060
复制
上传作者
小小鱼鱼
上传时间
2022-12-29
文件大小
0.15M
设计风格:
--
CAD版本:
CAD2000
包含文件:
CAD
授权
独家
立即下载
收藏
分享
举报
相关推荐
综合
地面节点
地面综合节点
地坪漆
地台节点
地毯节点
路面节点
门槛石节点
木地板
花岗岩