1/2


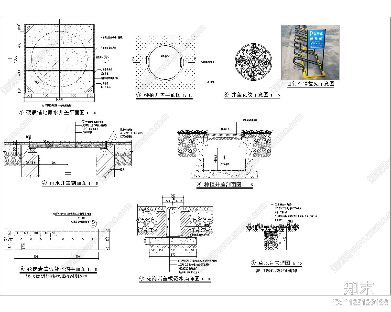
雨水井截水沟盲管CAD下载
ID: 1125129198
复制
上传作者
457145
457145上传时间2022-11-18
文件大小2.03M
设计风格:现代简约
CAD版本:CAD2006
包含文件:CAD
授权普通
立即下载
收藏
分享
举报
相关推荐
综合
地面节点
地面综合节点
地坪漆
地台节点
地毯节点
路面节点
门槛石节点
木地板
花岗岩


457145上传时间2022-11-18
文件大小2.03M
设计风格:现代简约
CAD版本:CAD2006
包含文件:CAD
授权普通