CAD频道
CAD图库
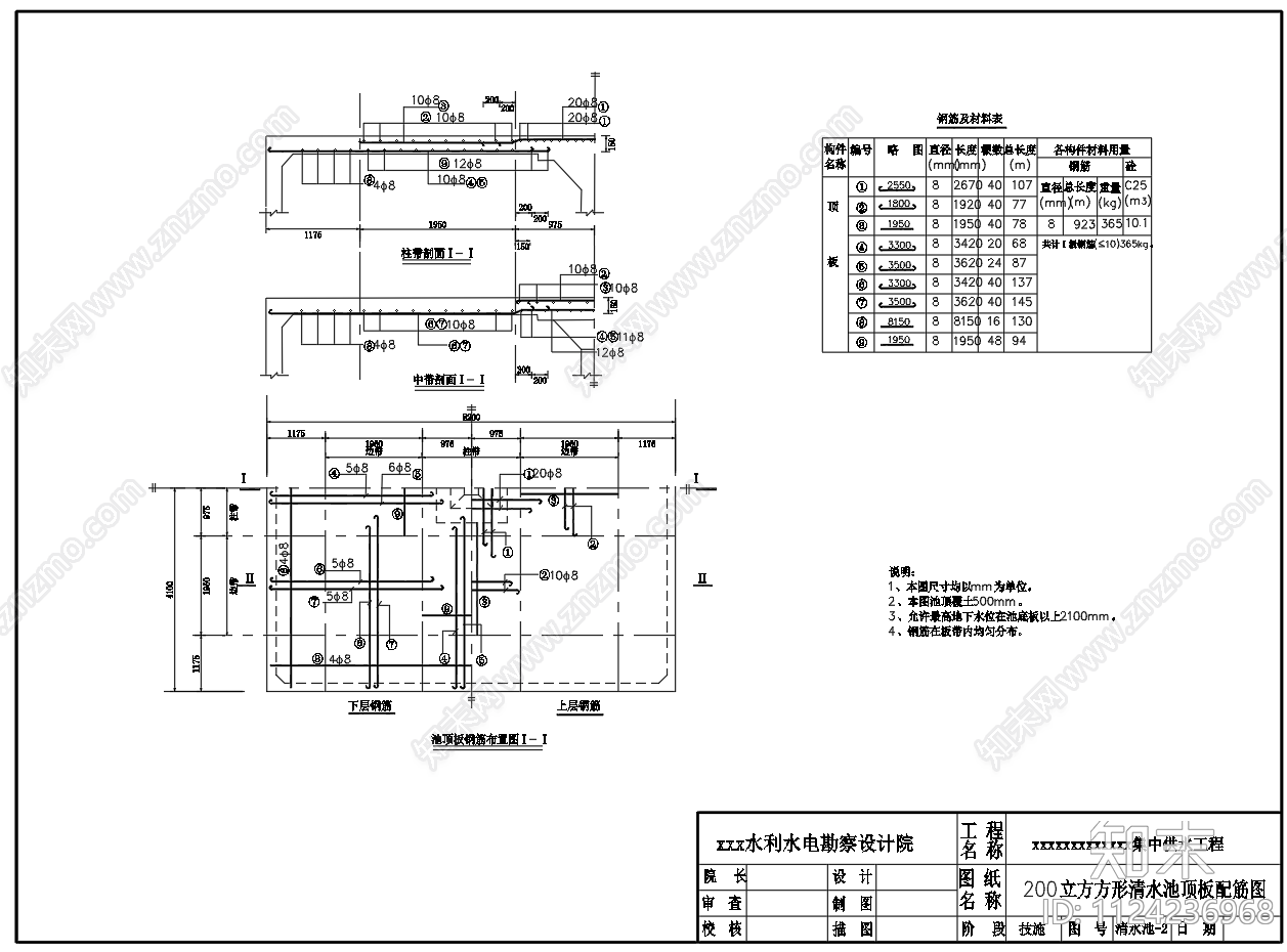
200方方形清水池 钢筋混凝土蓄水池 施工图
1/
5
Previous
Next
200方方形清水池CAD下载
ID: 1124236968
复制
上传作者
小小鱼鱼
上传时间
2022-11-05
文件大小
0.13M
设计风格:
--
CAD版本:
CAD2000
包含文件:
CAD
授权
独家
立即下载
收藏
分享
举报
相关推荐
综合
电气工程节点
水处理节点
给排水节点详图
暖通节点
电气节点
其他电气工程节点