CAD频道
CAD图库
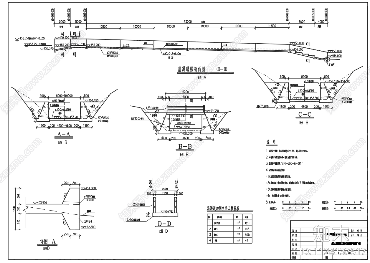
小 二 型水库除险加固工程 大坝泄洪道 新建放水系统 施工图 建筑给排水...
1/
7
Previous
Next
小CAD下载
ID: 1124137517
复制
上传作者
小小鱼鱼
上传时间
2022-11-03
文件大小
0.55M
设计风格:
--
CAD版本:
CAD2000
包含文件:
CAD
授权
独家
立即下载
收藏
分享
举报
相关推荐
综合
机电工程
建筑给排水
给排水图
水处理
暖通空调
电气图
电气工程节点
消防设施
机械设备
其他机电图纸