1/8


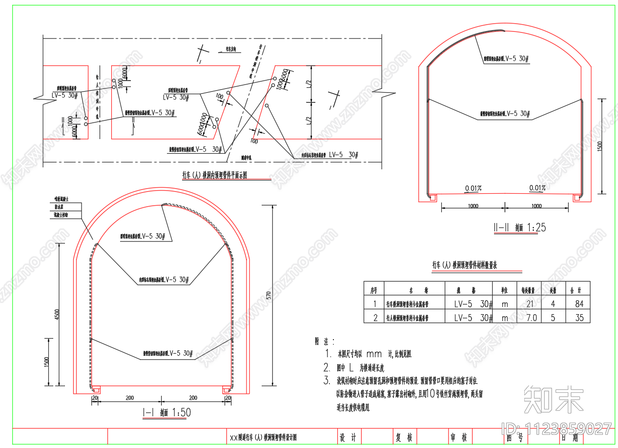
隧道洞内预留照明监控供配电CAD下载
ID: 1123859027
复制
上传作者
小小鱼鱼
小小鱼鱼上传时间2022-10-31
文件大小1.11M
设计风格:--
CAD版本:CAD2000
包含文件:CAD
授权独家
立即下载
收藏
分享
举报
相关推荐
综合
机电工程
电气图
给排水图
水处理
暖通空调
电气工程节点
消防设施
机械设备
其他机电图纸
建筑给排水


小小鱼鱼上传时间2022-10-31
文件大小1.11M
设计风格:--
CAD版本:CAD2000
包含文件:CAD
授权独家