CAD频道
CAD图库
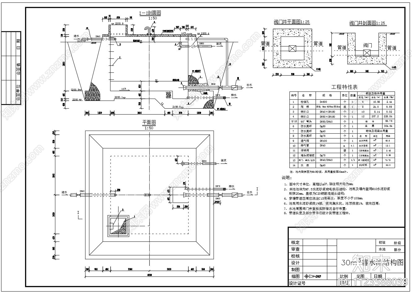
30立方米蓄水池结构配筋图 施工图
1/
3
Previous
Next
30立方米蓄水池结构配筋图CAD下载
ID: 1123588039
复制
上传作者
小小鱼鱼
上传时间
2022-10-26
文件大小
0.14M
设计风格:
--
CAD版本:
CAD2000
包含文件:
CAD
授权
独家
立即下载
收藏
分享
举报
相关推荐
综合
电气工程节点
水处理节点
给排水节点详图
暖通节点
电气节点
其他电气工程节点