1/9


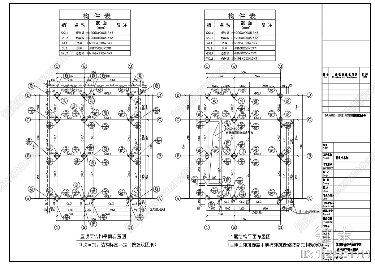
钢结构样板小木屋CAD下载
ID: 1123351111
复制
上传作者
小小鱼鱼
小小鱼鱼上传时间2022-10-22
文件大小0.31M
设计风格:--
CAD版本:CAD2000
包含文件:CAD
授权独家
立即下载
收藏
分享
举报
相关推荐
综合
居住建筑
其他居住建筑
住宅楼建筑
四合院
别墅建筑
高层住宅
多层住宅
低层住宅
公寓建筑
联排住宅


小小鱼鱼上传时间2022-10-22
文件大小0.31M
设计风格:--
CAD版本:CAD2000
包含文件:CAD
授权独家