1/2


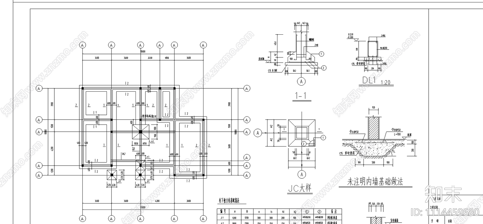
农居房结构CAD下载
ID: 1114459680
复制
上传作者
459403
459403上传时间2022-06-01
文件大小0.67M
设计风格:--
CAD版本:CAD2014
包含文件:CAD
授权普通
立即下载
收藏
分享
举报
相关推荐
综合
居住建筑
别墅建筑
住宅楼建筑
四合院
其他居住建筑
高层住宅
多层住宅
低层住宅
公寓建筑
联排住宅


459403上传时间2022-06-01
文件大小0.67M
设计风格:--
CAD版本:CAD2014
包含文件:CAD
授权普通