CAD频道
CAD图库
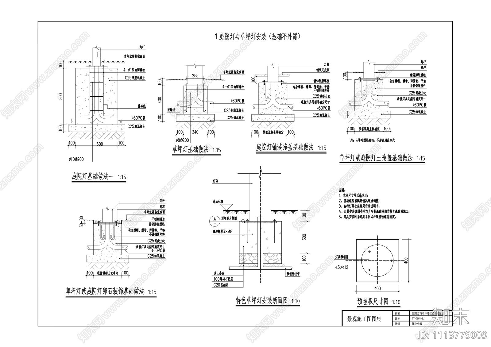
景观灯具安装基础做法 施工图 景观小品 结构节点图
1/
6
Previous
Next
景观灯具安装基础做法CAD下载
ID: 1113779009
复制
上传作者
逐梦者*
上传时间
2022-05-20
文件大小
6.84M
设计风格:
--
CAD版本:
CAD2014
包含文件:
CAD
授权
独家
立即下载
收藏
分享
举报
相关推荐
综合
结构节点图
其他结构设计
桁架
钢结构节点
混凝土节点
幕墙结构节点
转换层